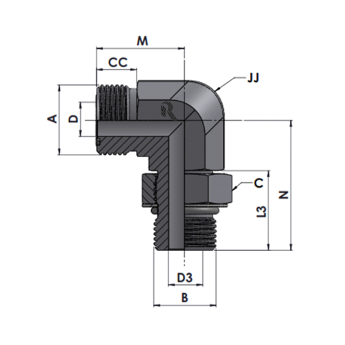
RJFS7205-00-00-NWO Series MFS-MMAORB 90° ELBOW
Description
| Tube O.D. |
A THREAD |
B THREAD |
M LENGTH |
N LENGTH |
CC LENGTH |
L3 LENGTH |
D DRILL |
D3 DRILL |
JJ Hex |
C Hex |
Part Number |
Torque N-m |
Working pressure in Bar |
| 1/4″ |
9/16″-18 |
M12X1.5-6g |
21.50 |
33.00 |
9.80 |
21.00 |
4.40 |
4.00 |
14.00 |
17.00 |
RJ-FS7205-04-12-NWO |
35-38.5 |
413 |
| 1/4″ |
9/16″-18 |
M14X1.5-6g |
23.50 |
35.50 |
9.80 |
21.00 |
4.40 |
6.00 |
17.00 |
19.00 |
RJ-FS7205-04-14-NWO |
45-49.50 |
413 |
| 3/8″ |
11/16″-18 |
M10X1-6g |
25.00 |
32.00 |
11.20 |
18.00 |
6.70 |
3.00 |
17.00 |
14.00 |
RJ-FS7205-06-10-NWO |
20-22 |
413 |
| 3/8″ |
11/16″-18 |
M12X1.5-6g |
25.00 |
35.50 |
11.20 |
21.00 |
6.70 |
4.00 |
17.00 |
17.00 |
RJ-FS7205-06-12-NWO |
35-38.5 |
413 |
| 3/8″ |
11/16″-18 |
M14X1.5-6g |
25.00 |
35.50 |
11.20 |
21.00 |
6.70 |
6.00 |
17.00 |
19.00 |
RJ-FS7205-06-14-NWO |
45-49.50 |
413 |
| 3/8″ |
11/16″-18 |
M16X1.5-6g |
25.00 |
37.50 |
11.20 |
23.00 |
6.70 |
7.00 |
17.00 |
22.00 |
RJ-FS7205-06-16-NWO |
55-60.50 |
413 |
| 3/8″ |
11/16″-18 |
M18X1.5-6g |
25.00 |
41.00 |
11.20 |
26.00 |
6.70 |
9.00 |
19.00 |
24.00 |
RJ-FS7205-06-18-NWO |
70-77 |
413 |
| 1/2″ |
13/16″-16 |
M14X1.5-6g |
28.00 |
36.00 |
12.80 |
21.00 |
9.60 |
6.00 |
19.00 |
19.00 |
RJ-FS7205-08-14-NWO |
45-49.50 |
413 |
| 1/2″ |
13/16″-16 |
M16X1.5-6g |
28.00 |
38.00 |
12.80 |
23.00 |
9.60 |
7.00 |
19.00 |
22.00 |
RJ-FS7205-08-16-NWO |
55-82.50 |
345 |
| 1/2″ |
13/16″-16 |
M18X1.5-6g |
28.00 |
41.00 |
12.80 |
26.00 |
9.60 |
9.00 |
19.00 |
24.00 |
RJ-FS7205-08-18-NWO |
70-77 |
413 |
| 5/8″ |
1″-14UNS |
M18X1.5-6g |
33.30 |
47.50 |
17.50 |
26.00 |
12.30 |
9.00 |
24.00 |
24.00 |
RJ-FS7205-10-18-NWO |
70-77 |
413 |
| 5/8″ |
1″-14UNS |
M22X1.5-6g |
3.30 |
49.00 |
17.50 |
27.50 |
12.30 |
12.00 |
24.00 |
27.00 |
HTFS7205-10-22-NWO |
100-110 |
413 |
| 5/8″ |
1″-14UNS |
M27X2.0-6g |
35.80 |
55.50 |
17.50 |
33.50 |
12.30 |
15.00 |
27.00 |
32.00 |
RJ-FS7205-10-27-NWO |
170-187 |
413 |
| 3/4″ |
1-3/16″-12 |
M22X1.5-6g |
37.30 |
49.00 |
17.50 |
27.50 |
15.50 |
12.00 |
27.00 |
27.00 |
RJ-FS7205-10-22-NWO |
100-110 |
413 |
| 3/4″ |
1-3/16″-12 |
M27X2.0-6g |
37.30 |
55.50 |
17.50 |
33.50 |
15.50 |
15.00 |
27.00 |
32.00 |
RJ-FS7205-12-27-NWO |
170-187 |
413 |
| 1″ |
1-7/16″-12 |
M33X2.0-6g |
41.70 |
59.50 |
17.50 |
33.50 |
20.60 |
20.00 |
36.00 |
41.00 |
RJ-FS7205-16-33-NWO |
310-341 |
345 |
| 1-1/4″ |
1-11/16″-12 |
M33X2.0-6g |
44.70 |
62.00 |
17.50 |
33.50 |
26.00 |
20.00 |
41.00 |
41.00 |
RJ-FS7205-20-33-NWO |
310-341 |
275 |
| 1-1/4″ |
1-11/16″-12 |
M42X2.0-6g |
44.70 |
63.00 |
17.50 |
34.50 |
26.00 |
26.00 |
41.00 |
50.00 |
RJ-FS7205-20-42-NWO |
330-363 |
275 |
| 1-1/2″ |
2″-12 |
M48X2.0-6g |
48.80 |
71.50 |
17.50 |
38.00 |
32.00 |
32.00 |
50.00 |
55.00 |
RJ-FS7205-24-48-NWO |
420-462 |
207 |
Reviews
There are no reviews yet.