RJFS2703-00-00 Series MFS-MFS-MFS-MFS BULKHEAD TEE
Description
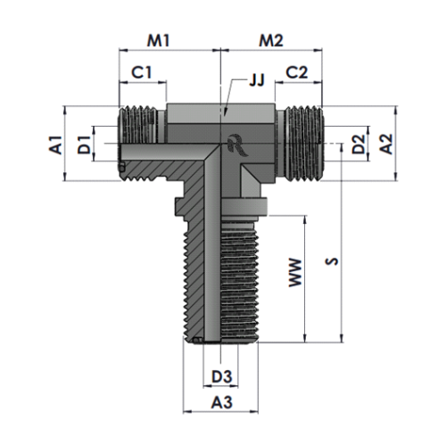
| Tube O.D. |
A1 THREAD |
A2 THREAD |
A3 THREAD |
M1 LENGTH |
M2 LENGTH |
S LENGTH |
C1 LENGTH |
C2 LENGTH |
WW LENGTH |
D1 DRILL |
D2 DRILL |
D3 DRILL |
JJ Hex |
Part Number |
Torque N-m |
Working pressure in Bar |
| 1/4″ |
9/16″-18 |
9/16″-18 |
9/16″-18 |
21.50 |
21.50 |
47.00 |
9.80 |
9.80 |
31.50 |
4.40 |
4.40 |
4.40 |
14.29 |
RJ-FS2703-04-04-04 |
14-16 |
413 |
| 3/8″ |
11/16″-18 |
11/16″-18 |
11/16″-18 |
25.00 |
25.00 |
52.00 |
11.20 |
11.20 |
34.00 |
6.70 |
6.70 |
6.70 |
19.05 |
RJ-FS2703-06-06-08 |
24-27 |
413 |
| 1/2″ |
13/16″-16 |
13/16″-16 |
13/16″-16 |
28.00 |
28.00 |
55.50 |
12.80 |
12.80 |
36.50 |
9.60 |
9.60 |
9.60 |
19.05 |
RJ-FS2703-08-08-08 |
43-47 |
413 |
| 5/8″ |
1″-14 |
1″-14 |
1″-14 |
33.30 |
33.30 |
63.00 |
15.50 |
15.50 |
40.60 |
12.30 |
12.30 |
12.30 |
26.99 |
RJ-FS2703-10-10-10 |
60-68 |
413 |
| 3/4″ |
1-3/16″-12 |
1-3/16″-12 |
1-3/16″-12 |
37.30 |
37.30 |
67.20 |
17.00 |
17.00 |
41.70 |
15.50 |
15.50 |
15.50 |
30.16 |
RJ-FS2703-12-12-12 |
90-95 |
413 |
| 1″ |
1-7/16″-12 |
1-7/16″-12 |
1-7/16″-12 |
41.70 |
41.70 |
71.20 |
17.50 |
17.50 |
42.20 |
20.60 |
20.60 |
20.60 |
36.51 |
RJ-FS2703-16-16-16 |
125-135 |
413 |
| 1-1/4″ |
1-11/16″-12 |
1-11/16″-12 |
1-11/16″-12 |
44.70 |
44.70 |
75.50 |
17.50 |
17.50 |
42.20 |
26.00 |
26.00 |
26.00 |
41.28 |
RJ-FS2703-20-20-20 |
170-190 |
275 |
| 1-1/2″ |
2″-12 |
2″-12 |
2″-12 |
48.80 |
48.80 |
79.50 |
17.50 |
17.50 |
42.20 |
32.00 |
32.00 |
32.00 |
47.62 |
RJ-FS2703-24-24-24 |
200-225 |
275 |
Reviews
There are no reviews yet.